|
|
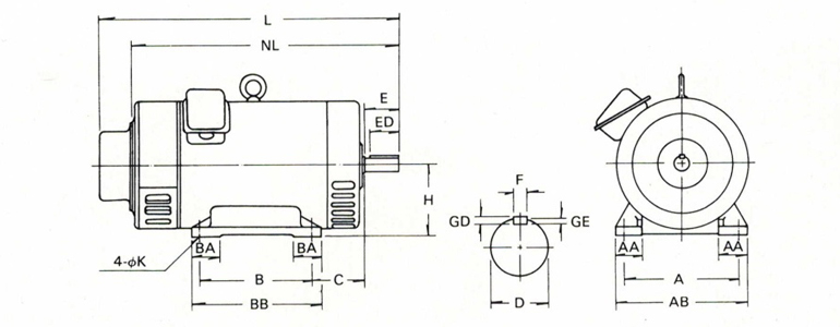
橫臥型(臥式)
《商品介紹》:

|
輸出
|
額定轉速
|
框號
|
外型尺寸(mm)
|
軸端尺寸(mm)
|
|
HP
|
RPM
|
FRAME
|
A
|
AA
|
AB
|
B
|
BA
|
BB
|
C
|
H
|
K
|
L |
NL
|
NS
|
E
|
ED
|
D
|
GD
|
GE
|
F
|
|
1/2
|
1750
|
90S-5A
|
145
|
40 |
186
|
97
|
30
|
130
|
86
|
100
|
10
|
335
|
285
|
M8
|
30
|
22
|
16
|
5
|
3
|
5
|
|
1
|
1750
|
90S-5B
|
145
|
40 |
186
|
97
|
30
|
130
|
83 |
100
|
10
|
380
|
330
|
M8
|
37
|
30
|
19
|
6
|
3.5
|
6
|
|
2
|
1750
|
125L-5A
|
185
|
45
|
225
|
162
|
50
|
195
|
92
|
126
|
12
|
435
|
385
|
M10
|
50
|
40
|
24
|
7
|
4
|
8
|
|
3
|
1750
|
125L-5B
|
185
|
45
|
225
|
162
|
50
|
195
|
92
|
126 |
12
|
485
|
435
|
M10
|
60
|
50
|
28
|
7
|
4
|
8
|
|

|
輸出
|
額定轉速
|
框號
|
外型尺寸(mm)
|
軸端尺寸(mm)
|
|
HP
|
RPM
|
FRAME
|
A
|
AA
|
AB
|
B
|
BA
|
BB
|
C
|
H
|
K
|
HD
|
L
|
NS
|
E
|
ED
|
D
|
GD
|
GE
|
F
|
|
5
|
1750
|
125L-5C
|
184
|
50 |
225
|
203
|
60
|
238
|
84
|
128
|
12
|
460
|
530
|
M10
|
60
|
50
|
28
|
7
|
4
|
8
|
|
5
|
1750
|
160S
|
253
|
60 |
305
|
215
|
62
|
265
|
90 |
165
|
15
|
510
|
555
|
M12
|
80
|
60
|
35
|
8
|
4
|
10
|
|
7.5
|
1750
|
160M
|
253
|
60
|
305
|
215
|
62
|
265
|
95
|
165
|
15
|
510
|
575
|
M12
|
80
|
60
|
38
|
8
|
4
|
10
|
|
10
|
1750
|
160L
|
253
|
60
|
305
|
255
|
65
|
305
|
95
|
165 |
15
|
510
|
635
|
M12
|
80
|
60
|
38
|
8
|
4
|
10
|
|
|